We had two long visits to Thulir this year. One in Sep-Oct ‘09and one in Dec ‘09-Jan ‘10, each for 7-8 days each. Both the experiences were interesting in their own way.
Both times I worked mainly with the Basic Technology (BT) course that works with the 10th grade dropout children.
Before that, a bit on the follow up of the blog post a couple of yrs back, regarding working with Krishna and three children of the BT course in building LED based torches.
Lighting: A good part of the lighting at Thulir now runs off solar and is LED based. The kitchen, school rooms and Anu and Krishna’s home run off LED lights and these help the battery from the solar panels last the night in the more critical places. A professor of IIT helped the three children undergo further training and also gave them neat looking PCBs with the (constant current) circuit they use for a clean finish. Additionally, the street lights of the village were changed to LED lights and the same were put up in the hospital as well. This also helped the hospital move to Solar for its lighting needs. Both the 12-14 V of the battery and the inverter signal are routed in the wiring with the lighting now working without the need to turn on the inverter each time.
Children: One of the children has really taken to electronics intuitively, he is the village handyman when it comes to repair and installation of electrical/electronics. He manages the street lighting, needs of the hospital, etc. He is also employed at Thulir and is the second level of leadership having trained two batches of students in making torches and wall fixtures. He also reverse engineered a set of blinking lights and built it himself. The other two children continued their schooling and are in their 12th now. One of them visits Thulir regularly and helps the new trainees in things he is comfortable with primarily construction and farming
Trip I - Teaching
I tried to build on the fact that this batch of children (12 trainees and 5 youth now helping run Thulir) had some previous experience with working on LED based torches. I tried to introduce relating voltages and current by using measurements and also introduced looking at voltage drops across nodes of components and relating it to the voltage measured from a reference (gnd) node.
Also, we realized that the children had now worked with building circuits from scratch with the bread board and used the specific PCB for light making that did not require them to understand how to hook circuits up and could be done mechanically. This was fixed and the children did start understanding how a circuit is drawn and how it can be constructed on the board without soldering.
However, a big hurdle I encountered when using experimental methods there is need to be comfortable with understanding approximations and measurement accuracy. In real life things are not accurate a resistor that is supposed to be 1kohm (1000 ohms) varies +/-5% of its value and two resistors measured will not be the same value. Additionally, every meter has a measuring accuracy (that changes depending on the setting as well) and you need to be comfortable with these inaccuracies. Failing this, when a child expects to measure a 1 kohm resistor and encounters 980 ohms, it gets completely confused and looses trust in measurements. Additionally, though the children knew 1kohm=1000 ohms, they had difficulty in realizing that 0.98 kohms = 980 ohms… Unfortunately, I realized this issue quite late in the trip and the children had switched to their familiar mode of being able to do math mechanically without understanding it as they did in school. I was a little disappointed with what I was able to teach.
Trip II – Research
In the more recent trip I toned down the “teaching” and used a different approach of doing research with the kids to build something new. We decided that like we had LED torches we will use the dynamos and electrify the bicycles.

I had no idea what kind of voltages to expect from the dynamo and what kind of circuit we will need to build. Also, since many days the children were working on the land preparation (growing paddy), LED based reading lamps, etc I felt that perhaps being able to learn the research process and learning to look for details/accuracy of measurements would be something worth learning. It was great to have Ani, mom and Vinodh with me to be able to work with different groups in their experiments.
We found three dynamos (not all of them working) and created one group to work with each of the dynamos. They called themselves – Little Flower, Dil, Current (reminded me of “Electrical Engineers are always current” :)).
We started with observing what kind of voltage comes out of the dynamo at different speeds. This started with measurements with slow, medium, fast but had difficulty in reproducing the results. They took the suggestion of putting the information of speed in RPM (of their rotation of the pedal).
We also had group meetings that I explained were to keep each of the other groups know about what other groups had learnt, but to be honest, it was as much about keeping a tab on the kids :). I’m including some of the meeting minutes here…
Update meeting
1) Little flower – Dynamo was working fine
a)18 V @ 50 RPM,
b)41 V @ 124 RPM
2) Dil – Their dynamo was busted, they checked the dynamo by
a)Checking for a short in its two outputs. It was shorted.
b)Opening up the dynamo and checking the wire coming out of the dynamo. It was not shorted
c)Noticed that a plastic washer was broken. Substituted the broken washer with lifesaving electrical tape and presto they were good to go.
Reported values –
a)7 V @ 50 RPM
b)29 V @ 66 RPM
They were asked to check if the results above were reproducible.
3) Current - Dynamo was all rusted and didn’t make a good contact, cleaned up the dynamo
a)14.8 V @ 39 RPM
b)59 V @ 81 PRM
(With LOAD of 264 ohms)
a)15 V @ 45 RPM
b)49 V @ 91 RPM
(All measurements were made with the AC setting of the meter)
The range of voltage and the highest voltage were surprising. The circuits we had designed for the torches and what I build at work would have been fine for the low voltages, but have bust at the higher voltages. Not having been used to such voltages I was not sure if this was so high only because of no load or if it could actually drive some current. I looked at what could be used to load the dynamo to test how much power it could supply. Most components we had were for “electronics” the quarter watt resistors and these would have bust unless the resistor was large.
I took Perumal’s help in rummaging through the stock of things that were available. We found a few 33 ohm (1/2 W) resistors, we put a bunch of them in series. For 1/2W rating the current(i) needed to be such that i^2*33 less than 1/2 W i.e. less than 1/8 A. Normal 0 0 1 70 403 Columbia University 3 1 494 10.1316 <![endif]-->
We tested the load with the group that was getting the highest output voltage (group Current reported with load). It was clear that the dynamo will be able to deliver the power we needed. It was more a question of how our circuit will survive the high voltage.
I wondered if the children understood the difference between AC and DC signals so in the meeting I asked what an AC signal was – they unanimously said “mains”, I asked them what a DC signal was they said “battery”. For what they had encountered so far this was true enough. I knew I was going to have some fun now :).
AC and DC
The next session I decided was a demo session. I made a small circuit with a diode, a large resistor (10k/20k) and a LED in one direction. I also put a parallel circuit of the same set in the opposite direction. I showed them the circuit since they were familiar with the components.
I asked them which LED will light up if I connected the battery one way and which would light up when I connect it the other way. They seemed a little amused at the simple question and answered quickly. We then played a little game and I hid the battery and only showed them the board with the LEDs and asked them which way I was connecting the diodes, I continued this till I was sure that every single one of them had the knowing smile that this was eazzzy.
We then went out to try it on the dynamo. We had a big group cluttered around the bicycle. I asked everyone to guess before we started pedaling, they all inspected my connections (apparently I’m considered a trickster) carefully and decided that the “positive” coming out of the dynamo will light the appropriate LED. We started pedaling and I will never forget the look on their faces, finally one of them unbelieving said, “anna, both are burning!”
I asked why this happens? Does it mean positive is there both sides and negative is there both sides? I asked them to think about it and offered a possible explanation for the same.
I also talked about “average” and I took an example of them going to the movies with each of them having different amount of money. We made some measurements with the multimeter in the DC mode to see that it gave no reading when measuring the dynamo output. (Can this bust the meter? We took the precaution of using Vinodh’s multi-meter that he had left behind.)
We also took the next course of action for the groups to built the circuit themselves and make observations and measurements.
Update meeting
1)Little flower – saw LEDs flash at low speeds
2)Dil made measurements with no load and LED load as
a.7 V-9V @ 40 RPM
b.21-29 V @ 140 RPM
LOAD
a.9V-11V @ 40 RPM
b.22-27 V @ 140 RPM
3)Current – saw LEDs flash at low speeds that went away at high speeds.
We talked about why this would happen, the first suggestion was that the current was higher and so the LEDs were not flashing. I wondered if that was really the case and also gave an explanation of speed of rotation and blinking and that if something blinked fast enough we don’t see it blink.
They felt that they had enough to go by and would build their own versions of the circuits.
Update meeting
1) Little flower – tried 2 LED+10k this was “dim”, voltage across the resistor was
a.11.2 V DC
b.35 V AC
(can anyone figure out why this would make sense in a half way rectified case?)
2) Dil – decided to try to fix another dynamo that was lying unwound, they tried varying the resistance from 10k, it worked sometimes (??)
3) Current – tried 5 LED+10k and could just not get it to light up.
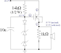
Regulator
The LED lighting at Thulir is based of the 12 V battery (measures close to 14 V when fully charged). For this reason the 14 V is also routed to the rooms as well. When anything other than the lights need to be turned on the inverter needs to be turned on. The kids wanted to turn on the boom box at night without having to turn on the inverter. The boom box worked with 6 batteries and expected 9 V. In essence he needed a regulator from 12-14V-->9V.
Perumal had offered this problem in a short trip in June and we had tried built it with parts salvaged from old computer boards and it had not worked well. We tried this again with the following circuit. I had visited SP road since that trip and had bought some of the components like a power MOSFET IRF540N, zener diodes, capacitance, etc. The regulator is open loop, but we found the drop between loading and no load was 9.7V - 9.3V.
This worked quite well this time around and got me thinking of whether we could use the same regulator for higher voltages.
We added the board for the bridge circuit and connected it to the 14V DC to test it. The capacitor burnt out.
I capacitor was rated for 100 V if connected properly. I that Perumal had flipped the circuit +/- coming from the bridge. Perumal has rarely made a mistake in building a board from a diagram and I was curious what happened. He grudgingly made the change, but something was bothering him and he kept saying something about perhaps not understanding diodes. On a bit of coaxing he finally said, you said that the triangle was the positive of the diode and the line was the negative of the diode. I admitted this again. Why then is it that you call a net that has two negative terminals of diodes positive and the net with two positive terminals of the diode as negative…this was interesting I had never even considered this could be a cause of confusion.
I explained to him how the current flows in one phase and gave him other examples of what he had seen and in
essence how KVL works. This was nothing new as I had mentioned this to the class before as well, but somehow when he asked the question himself the answer seemed to have struck him. His eyes lit up and he said, now I get it and went on to explain the other cycle to me. I realized that the children understand circuits at a very different abstraction based on how they have encountered it. This perception works for what they have encountered and they don’t change it with theory or experiments I do. This abstraction gets corrected/modified every time they encounter something new they can’t explain. I took a mental note of introducing as many different applications and circuits so children can develop a feel that is generalized.
essence how KVL works. This was nothing new as I had mentioned this to the class before as well, but somehow when he asked the question himself the answer seemed to have struck him. His eyes lit up and he said, now I get it and went on to explain the other cycle to me. I realized that the children understand circuits at a very different abstraction based on how they have encountered it. This perception works for what they have encountered and they don’t change it with theory or experiments I do. This abstraction gets corrected/modified every time they encounter something new they can’t explain. I took a mental note of introducing as many different applications and circuits so children can develop a feel that is generalized.
The next day was the fun demo of completing what we had set out to do as a hope and seeing the constant lighting whether the cycle ran slowly or fast was fun. The familiarity of the last circuit (of the touch) built by the children gave them some confidence to look at the other two boards (rectifier, regulator) and they didn’t seem to think it looked very complex J. I asked them to work with Perumal to build the rest themselves.
We also opened up a 3 W LED based fixture that had been given to Krishna, to my surprise it had the same FET we
used (seems popular) and we found an alternative circuit that can also be used. The circuit has lesser components and the only purpose it serves is getting the lights to work. Well you live and learn, though the difference with our large number of components was that we were able to give out a constant voltage? The children asked if they could use it to charge their cellphones when they are traveling or when there is no power and how about FM receivers that work of 12 V?
used (seems popular) and we found an alternative circuit that can also be used. The circuit has lesser components and the only purpose it serves is getting the lights to work. Well you live and learn, though the difference with our large number of components was that we were able to give out a constant voltage? The children asked if they could use it to charge their cellphones when they are traveling or when there is no power and how about FM receivers that work of 12 V?
I told them that I’ll check at work since the batteries require constant current, trickle charge, etc.
I checked at work with folks who design cellphone chargers and they felt that if a 9V or so can be supplied, the charging profile is taken care of in the phone itself.
One issue is that a lot of the power from the dynamo is wasted at higher speeds. The LED lights take very little power and perhaps do not pose an issue, but it does pose a problem of untapped effort of the user. A capacitor before the bridge could drop some of the voltage and in a dynamo since the frequency increases (or should) with voltage (due to higher speed) I wonder if this would do the trick of at least limiting the amount of wasted power. Suggestions??


2 comments:
Great writeup. Thanks for taking the effort to document. Looking forward to more!!
anu and krishna
oh wow!! me a primary school teacher in mumbai wld like to do a BT course with u. I am currently homeschooling my son who is facinated with lights. he is 5. I want to support him a little ...for which in need to be educated first.
awaiting ur reply.
regards
poonam kurani
Post a Comment